The current development of stretchable battery materials that mimic the functions of nature has emerged for the next wave of wearable electronics. A recent study presented a bioinspired Jabuticaba-like hybrid carbon/polymer (HCP) composite that was developed into a stretchable current collector using a simple, cost-effective solution process. Using the HCP composite as a stretchable current […]
Lithium News
German subsidiary of Canadian lithium-ion battery maker Electrovaya insolvent
Electrovaya Inc. says its Litarion subsidiary in Germany has begun insolvency proceedings as a result of a cash shortage that arose after its automotive customers took longer than expected to place large battery orders. The Mississauga, Ont.-based company says it doesn’t expect Litarion’s insolvency will affect the parent company’s ability to fulfil current and future […]
Graphene girders extend the life of lithium-ion batteries
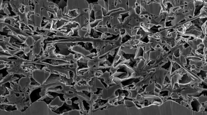
Nanoscale reinforcement with graphene girders boosts performance of silicon anodes, Warwick team discovers When you want to make a structure stronger, put a girder across it. It’s a simple principle that every civil engineer knows well. But a team at Warwick Manufacturing Group has found that it applies just as well on very small scales […]
VW backs Northvolt’s battery Gigafactory developed by former Tesla execs
The two former Tesla executives that broke out on their own to build a battery gigafactory in Europe have just secured backing from Volkswagen through their Scania division. The two companies will develop and commercialize battery cell technology for heavy commercial vehicles at their facilities. Scania confirmed today that it is investing EUR 10 million ($12.5 million USD) […]
Recycling and reusing worn cathodes to make new lithium ion batteries
Nanoengineers at the University of California San Diego have developed an energy-efficient recycling process that restores used cathodes from spent lithium ion batteries and makes them work just as good as new. The process involves harvesting the degraded cathode particles from a used battery and then boiling and heat treating them. Researchers built new batteries […]
Cornish batteries? Scientists embark on satellite search for lithium reserves
Experts believe Cornwall may hold significant deposits of the valuable mineral, which is in increasing demand globally for use in batteries for electric vehicles and energy storage Scientists in Cornwall plan to boldly go where no one has gone before by using satellites to search the county for lithium, a mineral for which there is […]





